中大行星减速机特点:
具有高精度、高钢性、高负载、高效率、高速比、高寿命、低惯性、低振动、低噪音、低温升、外观美、结构轻小、安装方便、精确定位等特点,适用于交流伺服马达、直流伺服马达、步进马达、液压马达的增速与减速动。
适合于全球任何厂商所制造的驱动产品连接,如:松下、台达、安川、富士、三菱、三洋、西门子、施耐德、法那克、科比、科尔摩根、AMK、帕克等等。
应用领域:
数控机床、工业机器人、切割设备、焊接设备、雕刻设备、包装机械、纺织印染、专机设备、机床改造、军工、制药、食品和环保等行业。
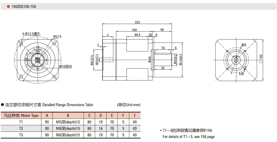
中大行星减速机能与任何电机匹配安装,电机不同,与之匹配的尺寸将有所变化,适配器将不同,配特殊电机可以订做。
注: 中大行星减速机可替换 纽氏达特行星减速机、湖北行星减速机、台湾行星减速机、VGM行星减速机、品宏行星减速机、世协行星减速机、卓蓝东方行星减速机等各种不同品牌的行星减速机。





浙ICP备16039854号-3